產品中心
專用產品

首頁->產品中心->兩相交流高速步進電機系列

兩相交流高速步進電機系列

高速電機60系列

產品詳情

blob.png

動態力矩曲線圖:
blob.png

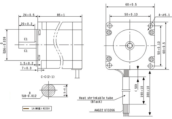
機械尺寸圖:

blob.png

上一個:
?

2006-2024 深圳市鼎拓達機電有限公司版權所有 粵ICP備05142847號 技術支持:神州通達網絡

深圳總公司:

電話:0755-25796858 

傳真:0755-25796696 

郵箱:sales@dt-me.com 

地址:廣東省深圳市南山區西麗街道麻磡社區麻磡路18號工業區8棟5樓




華中辦事處:童仁青  18975332020 

地址:湖南省長沙縣星沙大道39號財富港灣1棟2單元1613號

華東辦事處:朱興科 18128820282  

地址:江蘇省蘇州市昆山市昆山開發區四季華城32棟2單元1503

 
微信掃一掃   手機掃一掃
在線客服
主站蜘蛛池模板: 昌宁县| 乡宁县| 云南省| 永康市| 东源县| 托克逊县| 平谷区| 射阳县| 吉水县| 秦安县| 宁河县| 萝北县| 河东区| 永修县| 石家庄市| 唐海县| 新龙县| 诏安县| 商都县| 科技| 宁乡县| 江安县| 泗阳县| 德兴市| 辽阳市| 五莲县| 定西市| 盱眙县| 四子王旗| 永新县| 吉木乃县| 泰和县| 丹棱县| 镇原县| 涟水县| 丹巴县| 迭部县| 宜黄县| 安福县| 张家口市| 天长市|