產品中心
專用產品

首頁->產品中心->兩相交流高速步進電機系列

兩相交流高速步進電機系列

高速電機57系列

產品詳情

blob.png

動態力矩曲線圖:

blob.png

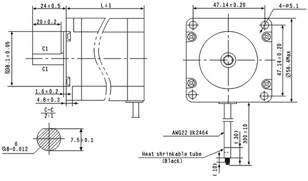
機械尺寸圖:

blob.png

上一個:
下一個:
?

2006-2024 深圳市鼎拓達機電有限公司版權所有 粵ICP備05142847號 技術支持:神州通達網絡

深圳總公司:

電話:0755-25796858 

傳真:0755-25796696 

郵箱:sales@dt-me.com 

地址:廣東省深圳市南山區西麗街道麻磡社區麻磡路18號工業區8棟5樓




華中辦事處:童仁青  18975332020 

地址:湖南省長沙縣星沙大道39號財富港灣1棟2單元1613號

華東辦事處:朱興科 18128820282  

地址:江蘇省蘇州市昆山市昆山開發區四季華城32棟2單元1503

 
微信掃一掃   手機掃一掃
在線客服
主站蜘蛛池模板: 藁城市| 伊通| 逊克县| 如东县| 扶绥县| 将乐县| 汉寿县| 老河口市| 郸城县| 万载县| 麻城市| 正定县| 南投县| 灵丘县| 手游| 长兴县| 邵东县| 定陶县| 肇东市| 兰西县| 洛阳市| 凤庆县| 绥江县| 陆河县| 库尔勒市| 手游| 密山市| 土默特右旗| 林口县| 吉林省| 长白| 三亚市| 永定县| 深水埗区| 曲靖市| 恩平市| 台北市| 尉犁县| 长海县| 安徽省| 安徽省|