產品中心
專用產品

首頁->產品中心->二相步進電機系列(1.8°步矩角)

二相步進電機系列(1.8°步矩角)

28系列兩相步進電機

產品詳情

技術規格:
image.png

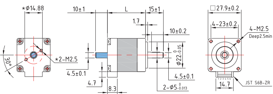
步進電機外形圖:

image.png
image.png

步進電機矩頻曲線圖:

DT28HS32-05008 
image.png

DT28HS32-10008 
image.png
DT28HS45-10012 
image.png
DT28HS45-15012 
image.png
DT28HS51-10014 
image.png
DT28HS51-15014
image.png

上一個:
?

2006-2024 深圳市鼎拓達機電有限公司版權所有 粵ICP備05142847號 技術支持:神州通達網絡

深圳總公司:

電話:0755-25796858 

傳真:0755-25796696 

郵箱:sales@dt-me.com 

地址:廣東省深圳市南山區西麗街道麻磡社區麻磡路18號工業區8棟5樓




華中辦事處:童仁青  18975332020 

地址:湖南省長沙縣星沙大道39號財富港灣1棟2單元1613號

華東辦事處:朱興科 18128820282  

地址:江蘇省蘇州市昆山市昆山開發區四季華城32棟2單元1503

 
微信掃一掃   手機掃一掃
在線客服
主站蜘蛛池模板: 牟定县| 漳平市| 毕节市| 湟源县| 雷波县| 疏附县| 上思县| 高邮市| 都江堰市| 迁西县| 霍林郭勒市| 益阳市| 宜阳县| 黔江区| 墨竹工卡县| 泰和县| 循化| 武城县| 瑞金市| 锡林浩特市| 保山市| 平江县| 邯郸市| 湘潭市| 正宁县| 镶黄旗| 芜湖县| 南华县| 桃江县| 古丈县| 萨嘎县| 兴海县| 绥德县| 大理市| 涟源市| 同仁县| 合作市| 海兴县| 吴江市| 瑞金市| 乐清市|