產品中心
專用產品

首頁->產品中心->二相步進電機系列(1.8°步矩角)

二相步進電機系列(1.8°步矩角)

20系列兩相步進電機

產品詳情

技術規格:

image.png

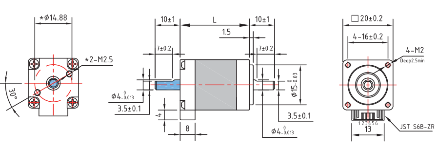
步進電機外形圖:


image.png
image.png

步進電機矩頻曲線圖:


DT20HS28-06002


image.png

DT20HS40-06003

image.png

DT20HS40-08003
image.png

上一個:
?

2006-2024 深圳市鼎拓達機電有限公司版權所有 粵ICP備05142847號 技術支持:神州通達網絡

深圳總公司:

電話:0755-25796858 

傳真:0755-25796696 

郵箱:sales@dt-me.com 

地址:廣東省深圳市南山區西麗街道麻磡社區麻磡路18號工業區8棟5樓




華中辦事處:童仁青  18975332020 

地址:湖南省長沙縣星沙大道39號財富港灣1棟2單元1613號

華東辦事處:朱興科 18128820282  

地址:江蘇省蘇州市昆山市昆山開發區四季華城32棟2單元1503

 
微信掃一掃   手機掃一掃
在線客服
主站蜘蛛池模板: 彩票| 江川县| 望奎县| 阳信县| 大英县| 临西县| 罗平县| 米泉市| 那曲县| 长春市| 黄平县| 巴南区| 咸阳市| 玛纳斯县| 绍兴县| 北票市| 高台县| 江门市| 黄山市| 卢湾区| 汝城县| 东阿县| 平原县| 陇川县| 台北市| 江阴市| 菏泽市| 闽侯县| 广德县| 龙南县| 无为县| 富宁县| 安宁市| 渭源县| 白朗县| 工布江达县| 蒲江县| 台江县| 南开区| 繁昌县| 闵行区|